

产品简介:
1.壳体采用QT500-7, 通过时效处理,精密加工成型,具有高刚性,高精度,长寿命等特点。允许通过фD100
2.主传动轴选用特 殊合金材料,经过严格的热处理工艺加工,最终精 密研磨成型,实现传动的高稳定性.
3.齿轮轴承均采用原装进口,保证了传动的高扭距,低噪音.
4.输入与输出形式多样灵活,不限于BT或ER接口,可以满足各类精密加工设备使用,可用于铣、钻、 攻、 磨 等多种工序的加工 。
适用范围:适用于立式加工中心、卧式加工中心、龙门加工中心、五轴加工中心. 让您的机床加工方式多一种选择
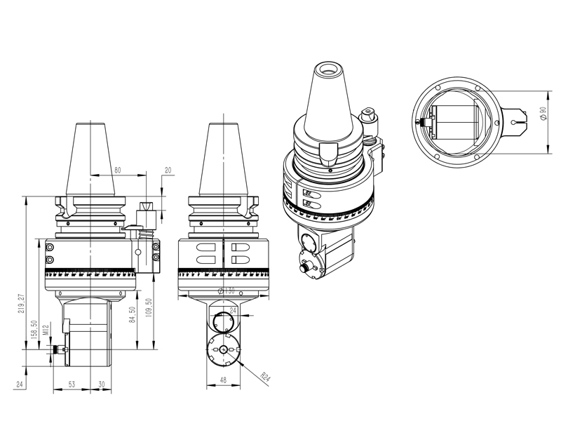
◎规格型号:DK90-BT50-ER20MS
◎驱动刀柄:BT50
◎其他刀柄:支持
◎峰值转速:4500RPM
◎主轴转向:CW-CW
◎传动比例:1:1
◎通过直径:D90
◎夹持范围:D3-D13
◎攻牙范围:M5-M10
◎峰值扭矩:30. Nm
◎铣头重量:12 kg
◎库存情况:常备库存
◎非标定制:支持


询价或维修(节假日外)均 1-2H 内响应
请输入您的联系手机号
