
产品简介:
1.壳体采用QT500-7, 通过时效处理,精密加工成型,具有高刚性,高精度,长寿命等特点。允许通过фD112
2.主传动轴选用特殊合金材料,经过严格的热处理工艺加工,最终精密研磨成型,实现传动的高稳定性.
3.齿轮轴承均采用原装进口,保证了传动的高扭距,低噪音.
4.输入与输出形式多样灵活,不限于BT或ER接口,可以满足各类精密加工设备使用,可用于铣、钻、 攻、 磨 等多种工序的加工 。
铣头特点:
1、原装进口大模数齿轮高精度高扭矩,传动效率高
2、日本本土生产精密轴承,质量稳定,寿命长
3、数年高精度铣头生产制造及进口铣头维修经验, 整合欧美日韩铣头结构优势独立开发性能可靠。
适用范围:适用于立式加工中心、卧式加工中心、龙门加工中心、五轴加工中心. 让您的机床加工方式多一种选择
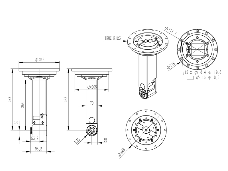
铣头参数表
规格型号: DK90-BT50-AER32M-250 法兰连接
驱动刀柄: BT50
其他刀柄: 支持
峰值转速: 4000RPM
主轴转向: CW-CW
传动比例: 1:1
通过直径: D112
夹持范围: D1-D20
攻牙范围: M6-M16
峰值扭矩: 65.Nm
铣头重量: 25.206 kg
库存情况: 常备库存
非标定制: 支持



询价或维修(节假日外)均 1-2H 内响应
请输入您的联系手机号
