

产品简介:
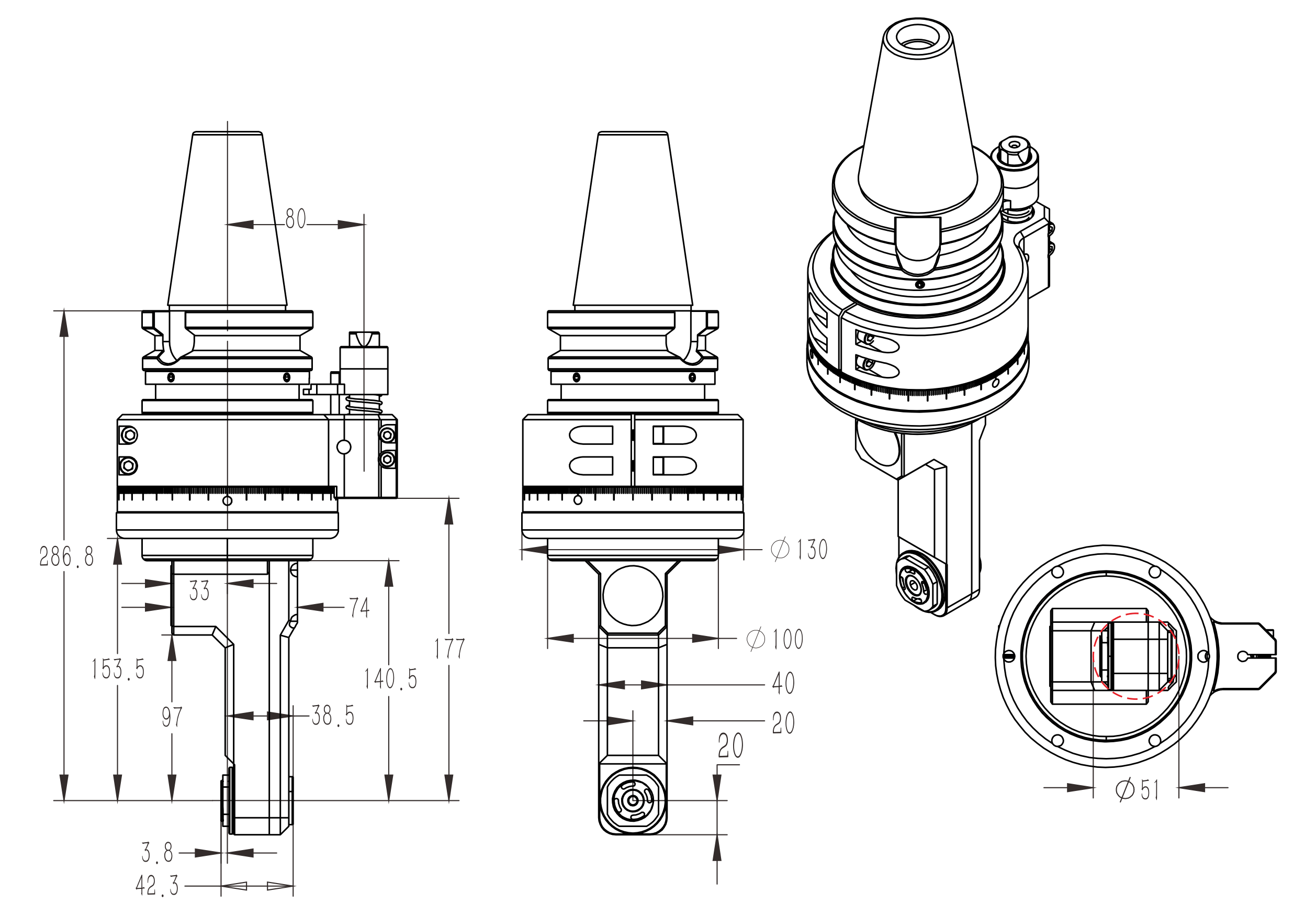
1.壳体采用40Cr, 通过时效处理,精密加工成型,具有高刚性,高精度,长寿命等特点。允许通过фD51
2.主传动轴选用特殊合金材料,经过严格的热处理工艺加工,最终精密研磨成型,实现传动的高稳定性.
3.齿轮轴承均采用原装进口,保证了传动的高扭距,低噪音.
4.输入与输出形式多样灵活,不限于BT或ER接口,可以满足各类精密加工设备使用,可用于铣、钻、 攻、 磨 等多种工序的加工 。
铣头参数表
规格型号: DK90-BT50-PER16
驱动刀柄: BT50
其他刀柄: 支持
峰值转速: 6000RPM
主轴转向: CW-CW
传动比例: 1:1
通过直径: D51
夹持范围: D1-D10
攻牙范围: 铣牙 M5-M8
峰值扭矩: 18.Nm
铣头重量: 10.074 kg
库存情况: 常备库存
非标定制: 支持




前一篇:没有了!
询价或维修(节假日外)均 1-2H 内响应
请输入您的联系手机号
